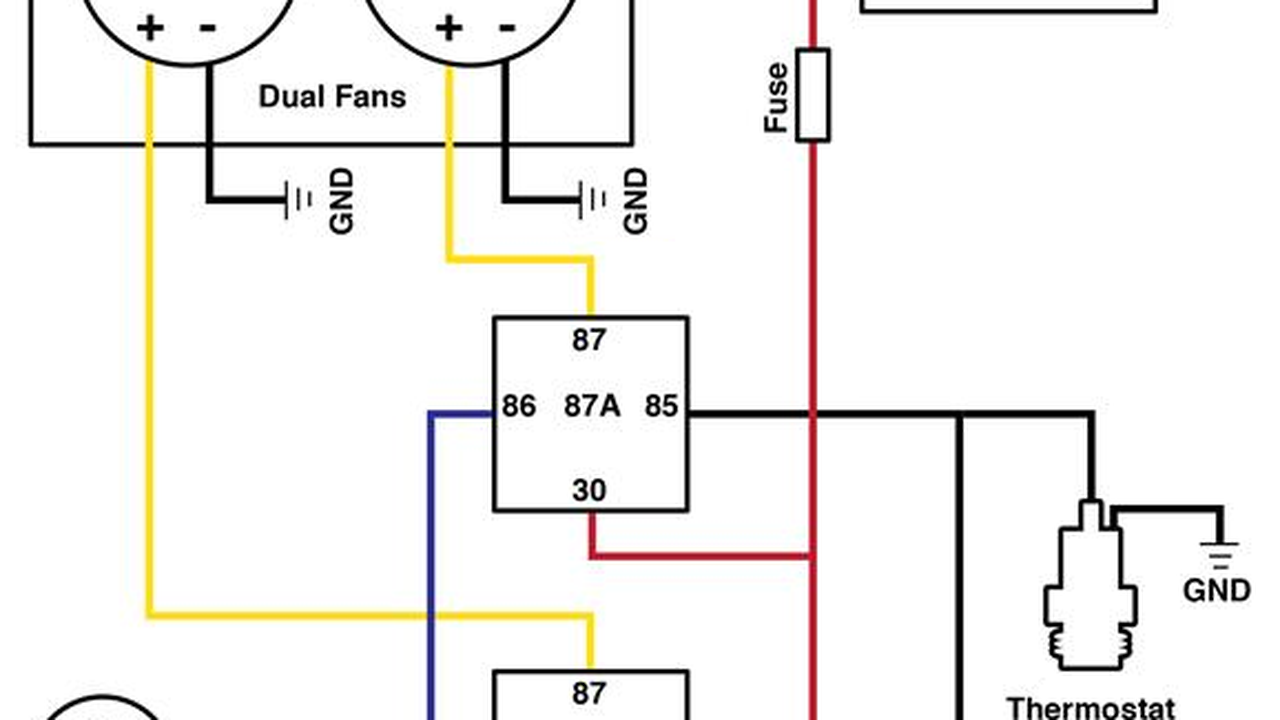
Unbelievable Photos Of Electric Fan Wiring Diagram Photos
Wiring Diagram Electric Fan Basic Tutorial Youtube via www.youtube.com

Pemeriksaan Electric Motor Fan Montirprocom via www.montirpro.com

Electric Fan Wiring Diagram Also Here Is The Wiring Diagram I Used For Wiring The Electric Fan I Too Us Electric Radiator Fan via www.pinterest.ch

Electric Fan Wiring Diagram 36guide Ikuseinet via 36guide-ikusei.net

How To Wire An Electric Fan With An Ac Trinary Switch Update Youtube via www.youtube.com

Pin On Ceiling Fan Wiring Diagram via www.pinterest.com

Pemeriksaan Electric Motor Fan Montirprocom via www.montirpro.com

Electric Cooling Fan Faq via www.bp-automotive.com

Diagram 2006 Chevy Silverado Fan Wiring Diagram Full Version Hd Quality Wiring Diagram Zigbeediagramromanicoleccoit via zigbeediagram.romanicolecco.it

Cooling Fan Ford Focus S 2012 System Wiring Diagrams Diagramas De Fiao Para Carros via portal-diagnostov.com

Automotive Electric Fans Gtsparkplugs via www.gtsparkplugs.com

Cooling Fan Ford Focus Electric 2014 System Wiring Diagrams Wiring Diagrams For Cars via portal-diagnostov.com

Diagram Radiator Fan Temp Switch Wiring Diagram Full Version Hd Quality Wiring Diagram Ardiagramriciclolio Lifeit via ardiagram.riciclolio-life.it

77 Lovely Electric Fan Relay Wiring Diagram Radiator Fan via www.pinterest.com

Diagram Ford Flex Wiring Diagram Full Version Hd Quality Wiring Diagram Outletdiagramromanicoleccoit via outletdiagram.romanicolecco.it

Gm Stock Gm Electric Fan Wiring Diagram Wiring Diagram Power Poised Neutral Opera News via www.dailyadvent.com

Electric Fan Relay Wiring Kit Cold Case Radiators Cold Case Aluminum Performance Radiators via www.coldcaseradiators.com

Ford Fiesta Radiator Fan Wiring Diagram Aamidisblogspotcom via aamidis.blogspot.com
Unbelievable Photos Of Electric Fan Wiring Diagram Photos












Unbelievable Photos Of Electric Fan Wiring Diagram Photos
0 Response to "Unbelievable Photos Of Electric Fan Wiring Diagram Photos"
Post a Comment